Earthmoving Engines
Earthmoving Engines
When Is Replacement Better (and How to Do It)
Read article
Electric Earthmoving Machines
Electric Earthmoving Machines
A Rapidly Transforming Market
Read article
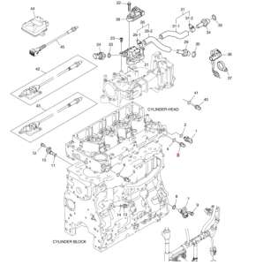
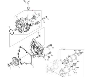
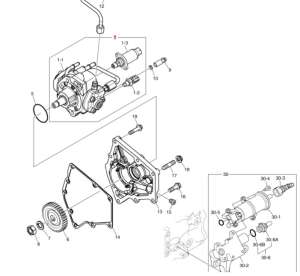
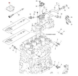
Engine repairs with earthmoving machinery spare parts
Engine repairs with earthmoving machinery spare parts
When is it worth it?
Read all
Electric Incentives for Earthmoving Machinery in Italy
Electric Incentives for Earthmoving Machinery in Italy
Italy is lagging behind on electric EMMs, but not for long...
Discover more
Electric Earthmoving Machines
Electric Earthmoving Machines
The Advantages of the New Generation
Discover more
Demolitions with Excavator
Insight
Demolitions with Excavator
techniques, safety and costs
Lire l'article
Excavator Brands
Insight
Excavator Brands
An Overview
Read article
Excavator Maintenance
Advices
Excavator Maintenance
Practical Tips
Read the article
Excavator license in Italy
INSIGHT
Excavator license in Italy
The training needed to operate on Italian territory
Read article
FIATALLIS
INSIGHT
FIATALLIS
A little-known Italian excellence
Read article
CASE POCLAIN
INSIGHT
CASE POCLAIN
History of a great brand
Read the article
Quick delivery
Worldwide shipping
Quality
New, used and reconditioned parts tested by our staff
Experience
At your service since 1969
Wide choice
Thousands of items for every part of your construction machine
For more information contact us
Call us
+39 035 295368
Or fill in the fields below and we will get back to you
Our Clients Reviews

104516A2

Nous sommes à la recherche d'un vérin de mini chargeuse Case auriez-vous cette référence en stock: 104516A2.

Une livraison rapide et précise était disponible, merci.


Aurélie Leray

SEAL KIT 1288 K6049607

OK ALL GOOD


aurimas slajus

2777/00025

ok nice.


lulian butuc

moto riduttore di rotazione cat 307 1481774

ok perfetto montato spedizione veloce.


CLAUDIO OLIVERIO

GEAR SATELLITE T4839355 CASE

OK NICE OEM PRODUCT


VALDAS Mickevičius

GEAR SATELLITE T4839355 CASE

OK nice original product fast shipment


sugar timea

fiat allis seal kits

Ok good, many thanks.


Jarkko Jarkko

113786A6 Section CASE

Ok perfect with shipment 


FERNANDO DURAO

400310-00418C

La merce è arriVata perfetto tutto a posto grazie!!


CONNECTING BARCELONA CONNECTING BARCELONA

pompa iniezione 6672389 bobcat

Tutto ok per il mio Bobcat 


Franco Scintu

KIT REVISIONE MOTORE ROTAZIONE NACHI PCR 5B 30A FGP 9407A

ok tutto ok spedizione e pezzi di ricambio.


Gianluca Secco

WATER PUMP FIAT ALLIS 8829780

OK fitted for my Fiat Allis vehicle


Donald Norman

WASHER GASKET Z446061 CASE (NEW)

OK, spare part that we couldn't find because it was out of stock.


jason scopes

panel de control 621b unidad código 242557a1 CASE

We received the piece and also the pens, thank you


VIRGINIA DE LEON

WATER PUMP FIAT ALLIS 8829780

WATER PUMP FIAT ALLIS 8829780

Everything is ok thanks


Tony Oluwu

TRANSMISSION SHAFT CASE NEW N14443

TRANSMISSION SHAFT CASE NEW N14443

perfect spare part I managed to fix the wheel loader


Wendell Weigel

MONITOR DISPLAY PANEL O&K

Excellent, perfect, very fast shipping.


Attila Tal

GEAR SATELLITE T4839355 CASE

GEAR SATELLITE T4839355 CASE

works perfectly

Thank you very much

 


FABIEN PARROT

GEAR SATELLITE HOLDER T4839355 (NEW) CASE

The parts arrived and the fit perfectly. Thank you very much!


Michael Huusmann

VALVE CASE 426168A1

I purchased this brake valve to replace the worn one on my vehicle and I must say that I am very satisfied. Installation was simple and quick, and the part fit perfectly without any modifications.


RAYMUNDO PEREZ RODRIGUEZ