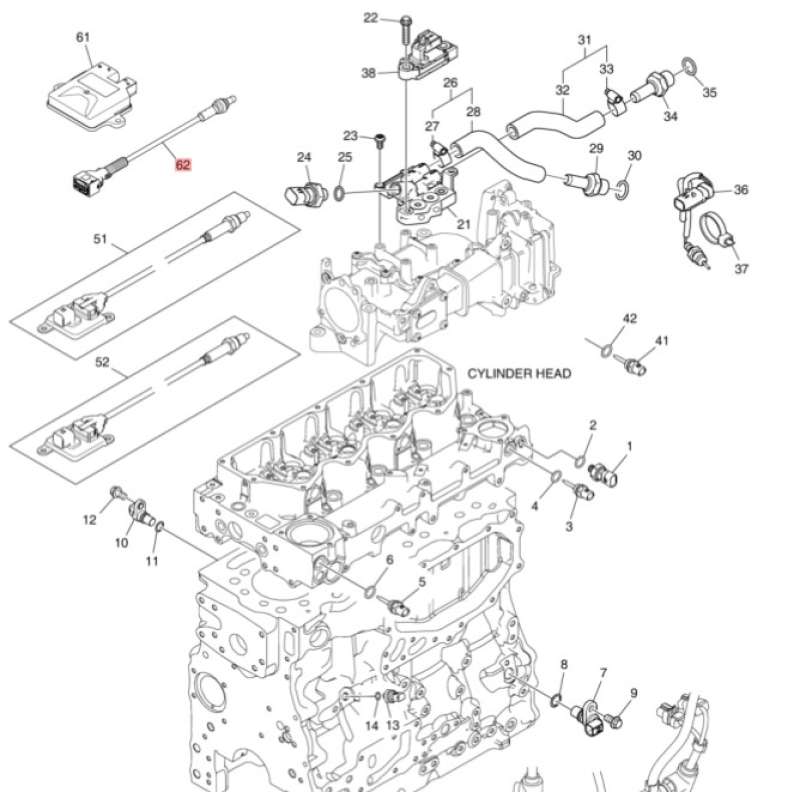
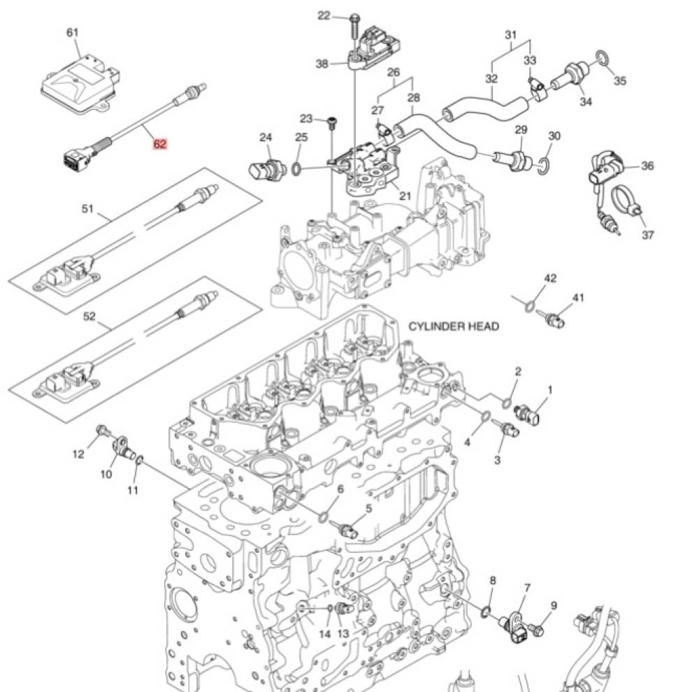
SENSOR NH3 301308-00754 DOOSAN OEM
OVERALL CONDITION NEW
MACHINE: DX 140LC-5, DX140LC-5/DX160LC-5, DX140 LCR-5, DX165W-5, DX170LC-5, DX180LC-5, DX200LC-7, DL200-5, DL200TC-5, DL200TC-7, E145, E165, DL205.
Ok good, many thanks.
GEAR SATELLITE T4839355 CASE
works perfectly
Thank you very much
I purchased this brake valve to replace the worn one on my vehicle and I must say that I am very satisfied. Installation was simple and quick, and the part fit perfectly without any modifications.
