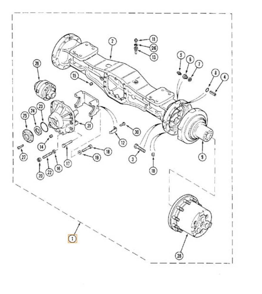
assale posteriore case cnh codice p2948528 new code w2948528 new codice w2948528 machine: 588, 688, 688b, 788p, wx 150 overall condition "used"
Ok good, many thanks.
GEAR SATELLITE T4839355 CASE
works perfectly
Thank you very much
I purchased this brake valve to replace the worn one on my vehicle and I must say that I am very satisfied. Installation was simple and quick, and the part fit perfectly without any modifications.
