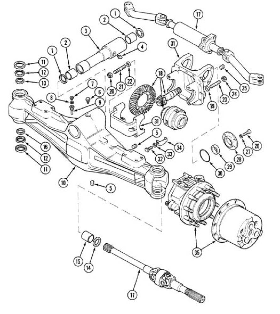
front axle case cnh used old code p2648588, old code p2648588 machine: 688, 888b, 888p, 988p, 125b, wx 170 overall condition used
Ok good, many thanks.
GEAR SATELLITE T4839355 CASE
works perfectly
Thank you very much
I purchased this brake valve to replace the worn one on my vehicle and I must say that I am very satisfied. Installation was simple and quick, and the part fit perfectly without any modifications.
