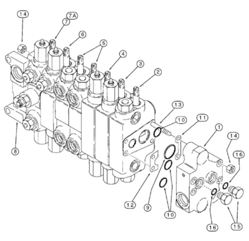
elemento distributor valve case cnh (new) machine:580 sl overall condition (new)
Ok good, many thanks.
GEAR SATELLITE T4839355 CASE
works perfectly
Thank you very much
I purchased this brake valve to replace the worn one on my vehicle and I must say that I am very satisfied. Installation was simple and quick, and the part fit perfectly without any modifications.
