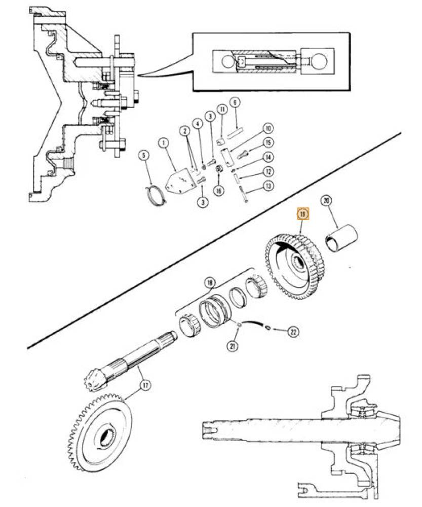
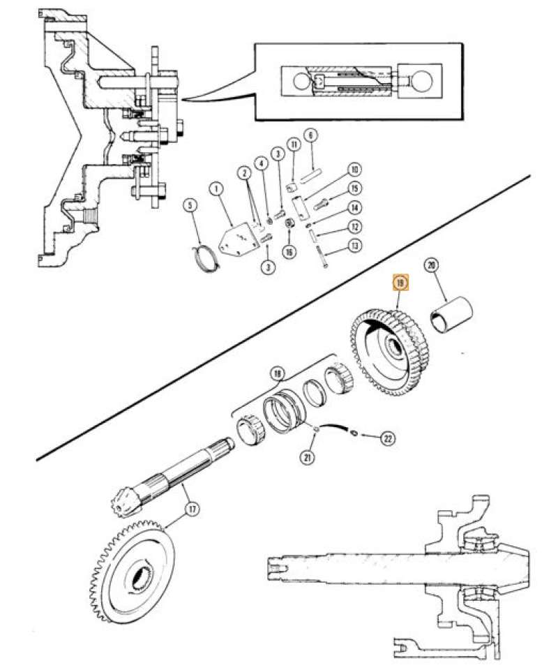
GEAR TRANSMISSION G102298
OVERALL CONDITION NEW
MACHINE: TRACTOR 1150C, 1150E, 1150B, 1450B, 1455B
Ok good, many thanks.
GEAR SATELLITE T4839355 CASE
works perfectly
Thank you very much
I purchased this brake valve to replace the worn one on my vehicle and I must say that I am very satisfied. Installation was simple and quick, and the part fit perfectly without any modifications.
